WE FOCUS ON LASER
Home
Product
New Products
Single-mode Laser Diode
405nm
445nm
460nm
480nm
488nm
495nm
505nm
520nm
525nm
635nm
650nm
660nm
785nm
808nm
830nm
850nm
880nm
905nm
940nm
980nm
1064nm
1270nm
1290nm
1310nm
1330nm
1350nm
1370nm
1390nm
1410nm
1430nm
1450nm
1470nm
1490nm
1510nm
1530nm
1550nm
1570nm
1590nm
1610nm
1625nm
1650nm
Multi-mode Laser Diode
405nm
445nm
465nm
520nm
525nm
635nm
650nm
660nm
680nm
760nm
785nm
793nm
808nm
830nm
850nm
860nm
880nm
915nm
940nm
980nm
1064nm
1210nm
1280nm
1310nm
1330nm
1450nm
1470nm
1490nm
1530nm
1550nm
1720nm
1900nm
1920nm
SM Fiber Coupled Laser Module
400nm
405nm
445nm
460nm
473nm
480nm
488nm
495nm
505nm
520nm
532nm
633nm
635nm
650nm
670nm
685nm
690nm
785nm
808nm
830nm
850nm
880nm
905nm
940nm
980nm
1064nm
1270nm
1290nm
1310nm
1330nm
1350nm
1370nm
1390nm
1410nm
1430nm
1450nm
1470nm
1490nm
1510nm
1530nm
1550nm
1570nm
1590nm
1610nm
1625nm
1650nm
MM Fiber Coupled Laser Module
375nm
395nm
400nm
405nm
410nm
413nm
445nm
455nm
460nm
465nm
473um
488nm
495nm
505nm
520nm
525nm
532nm
630nm
633nm
635nm
650nm
653nm
660nm
670nm
685nm
680nm
690nm
760nm
785nm
793nm
808nm
830nm
850nm
860nm
880nm
905nm
915nm
940nm
980nm
1064nm
1210nm
1280nm
1310nm
1330nm
1430nm
1450nm
1470nm
1490nm
1530nm
1550nm
1720nm
1900nm
1920nm
Turnkey Fiber Coupled Diode Laser System
405nm
445nm
465nm
488nm
505nm
520nm
525nm
635nm
650nm
670nm
680nm
685nm
760nm
785nm
808nm
830nm
850nm
860nm
880nm
905nm
915nm
940nm
980nm
1064nm
1210nm
1270nm
1280nm
1290nm
1310nm
1330nm
1350nm
1370nm
1390nm
1410nm
1430nm
1450nm
1470nm
1490nm
1510nm
1530nm
1550nm
1570nm
1590nm
1610nm
1625nm
1650nm
1720nm
1900nm
1920nm
Single Mode Fiber Detachable Laser Module
105mm
375nm
405nm
445nm
635nm
650nm
670nm
685nm
690nm
785nm
808nm
Multi-wavelength Fiber Coupled Laser Module
405nm+445nm+635nm
405nm+445nm+650nm
405nm+445nm+785nm
405nm+445nm+808nm
405nm+445nm+1060nm
405nm+445nm+1310nm
405nm+445nm+1470nm
405nm+445nm+1550nm
405nm+1060nm+1550nm
405nm+1450nm+1550nm
Collimated Laser Diodes
405nm collimated LD moudle
445nm collimated LD moudle
520nm collimated LD moudle
635nm collimated LD moudle
660nm collimated LD moudle
670nm collimated LD moudle
690nm collimated LD moudle
785nm collimated LD moudle
Medical Laser Module
445nm Medical Laser Module
445nm
Pulsed Laser Diode
905nm
Pigtailed Photodiode
InGaAs Detector
Si Detector
Fiber Receptacle Photodiode
105mm
InGaAs Detector
Si Detector
Multi-wavelength Fiber Coupled Laser System
405nm+650nm+808nm
405nm+650nm+980nm
Multi-channel Fiber Coupled Laser System
405nm+808nm+980nm
405nm+808nm+1060nm
Triplex (RGB) Fiber Coupled White Light Laser System
445nm+520nm+635nm Triplex Laser System
Triplex (RGB) Fiber Coupled White Light Laser Module
445nm+520nm+635nm Triplex Laser Module
About us
News
Contact us
Home>English>Products>Multi-mode Laser Diode>793nm>
Products
New Products
Single-mode Laser Diode
405nm
445nm
460nm
480nm
488nm
495nm
505nm
520nm
525nm
635nm
650nm
660nm
785nm
808nm
830nm
850nm
880nm
905nm
940nm
980nm
1064nm
1270nm
1290nm
1310nm
1330nm
1350nm
1370nm
1390nm
1410nm
1430nm
1450nm
1470nm
1490nm
1510nm
1530nm
1550nm
1570nm
1590nm
1610nm
1625nm
1650nm
Multi-mode Laser Diode
405nm
445nm
465nm
520nm
525nm
635nm
650nm
660nm
680nm
760nm
785nm
793nm
808nm
830nm
850nm
860nm
880nm
915nm
940nm
980nm
1064nm
1210nm
1280nm
1310nm
1330nm
1450nm
1470nm
1490nm
1530nm
1550nm
1720nm
1900nm
1920nm
SM Fiber Coupled Laser Module
400nm
405nm
445nm
460nm
473nm
480nm
488nm
495nm
505nm
520nm
532nm
633nm
635nm
650nm
670nm
685nm
690nm
785nm
808nm
830nm
850nm
880nm
905nm
940nm
980nm
1064nm
1270nm
1290nm
1310nm
1330nm
1350nm
1370nm
1390nm
1410nm
1430nm
1450nm
1470nm
1490nm
1510nm
1530nm
1550nm
1570nm
1590nm
1610nm
1625nm
1650nm
MM Fiber Coupled Laser Module
375nm
395nm
400nm
405nm
410nm
413nm
445nm
455nm
460nm
465nm
473um
488nm
495nm
505nm
520nm
525nm
532nm
630nm
633nm
635nm
650nm
653nm
660nm
670nm
685nm
680nm
690nm
760nm
785nm
793nm
808nm
830nm
850nm
860nm
880nm
905nm
915nm
940nm
980nm
1064nm
1210nm
1280nm
1310nm
1330nm
1430nm
1450nm
1470nm
1490nm
1530nm
1550nm
1720nm
1900nm
1920nm
Turnkey Fiber Coupled Diode Laser System
405nm
445nm
465nm
488nm
505nm
520nm
525nm
635nm
650nm
670nm
680nm
685nm
760nm
785nm
808nm
830nm
850nm
860nm
880nm
905nm
915nm
940nm
980nm
1064nm
1210nm
1270nm
1280nm
1290nm
1310nm
1330nm
1350nm
1370nm
1390nm
1410nm
1430nm
1450nm
1470nm
1490nm
1510nm
1530nm
1550nm
1570nm
1590nm
1610nm
1625nm
1650nm
1720nm
1900nm
1920nm
Single Mode Fiber Detachable Laser Module
105mm
375nm
405nm
445nm
635nm
650nm
670nm
685nm
690nm
785nm
808nm
Multi-wavelength Fiber Coupled Laser Module
405nm+445nm+635nm
405nm+445nm+650nm
405nm+445nm+785nm
405nm+445nm+808nm
405nm+445nm+1060nm
405nm+445nm+1310nm
405nm+445nm+1470nm
405nm+445nm+1550nm
405nm+1060nm+1550nm
405nm+1450nm+1550nm
Collimated Laser Diodes
405nm collimated LD moudle
445nm collimated LD moudle
520nm collimated LD moudle
635nm collimated LD moudle
660nm collimated LD moudle
670nm collimated LD moudle
690nm collimated LD moudle
785nm collimated LD moudle
Medical Laser Module
445nm Medical Laser Module
445nm
Pulsed Laser Diode
905nm
Pigtailed Photodiode
InGaAs Detector
Si Detector
Fiber Receptacle Photodiode
105mm
InGaAs Detector
Si Detector
Multi-wavelength Fiber Coupled Laser System
405nm+650nm+808nm
405nm+650nm+980nm
Multi-channel Fiber Coupled Laser System
405nm+808nm+980nm
405nm+808nm+1060nm
Triplex (RGB) Fiber Coupled White Light Laser System
445nm+520nm+635nm Triplex Laser System
Triplex (RGB) Fiber Coupled White Light Laser Module
445nm+520nm+635nm Triplex Laser Module
WSLD-793-003-C
● Part Number:WSLD-793-003-C
● Wavelength:793nm
● Output Power:3W
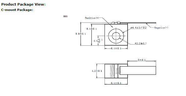
● Package:C-mount Package
● Without PD
Specification
Drawing
Datasheet
Ask For Quotation
Part Number
WSLD-793-003-C
PARAMETER
SYMBOL
VALUE
UNIT OF MEASURE
Reverse Voltage
Vr
2.0
V
Operating Temperature
Top
+10~+30
°C
Storage Temperature
Tstg
-20~+80
°C
Lead Soldering Temperature (10 sec.)
Tis
260
°C
Typical Specification (@25C°)
Min.
Typical Value
Max.
Optical Parameters
Center Wavelength
793nm+/-10nm
Output Power
----
3.0W
----
Spectral Width(FWHM)
----
2.0nm
----
Wavelength Temp. Coefficient
0.3nm/°C
Laser Type
FP
Beam Type
Multimode
Emitter Size
100umx1um
Beam Divergence (FWHM)
----
35°⊥x8°∥
----
Slope Efficiency
----
1.2W/A
----
Electrical Parameters
Threshold Current
----
0.5A
0.8A
Operating Current
----
3.0A
3.4A
Operating Voltage
----
1.8V
2.2V
Photodiode Parameters
Photodiode
Without PD
PD Current
----
----
----
PD Reverse Voltage (Max.)
----
Other Parameters
Package
C-mount
Recommended
Operating Temp.
25°C
Other
----
Return To Previours Product List
Datasheet Download
Inquiry Form
Company Name
Content
Contact Person
*
Country
*
Email
*
时间
Tel
地址:
Input Code
*
Telephone:+86-22-87931118 Fax:+86-22-86392109
E-mail: sales@wavespectrum-laser.com.cn wavespectrumlaser@yeah.net
Add: Huading Hi-tech Industry Zone, 2# Haitai Innovation 6th Road, Xingqing Dist, Tianjin 300392 China
Copyright:Wavespectrum Laser Group Limited-All Rights Reserved