Home>English>Products>Multi-mode Laser Diode>785nm>
Products

WSLD-785-005-H
785nm~790nm Laser Diode| High Power LD| 5W Power| Hermetic Package
    ●  Part Number:WSLD-785-005-H
    ●  Wavelength:785nm
    ●  Output Power:5W
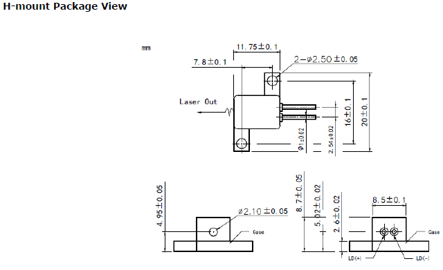
    ●  Package:H-mount
    ●  Without PD & FAC
 
 

 
 
 
 
  • Specification
  • Drawing
  • Datasheet
  • Ask For Quotation


  • Specifications

           WSLD-785-005-H

                       

    Min

    Type

    Max

    Center Wavelength@25    

    +/-5nm

    785nm

    +/-10nm

    Spectral Width(FWHM)        

     

    2.0nm  

    Output Power

     

    5W

     

    Emitter Area

     

    200x1μm  

    Beam Divergence (FWHM)

     

    35° x 8°//

     

    Temp. Coefficient of Wavelength   0.3nm/°C  

    Monitor Current

    ----

      ----
    Recommend Operation Temperature   25°C  

    PD Reverse Voltage

    ----

       

    PD Forward Current

    ----

       

    Slope Efficiency

     

    1.2W/mA

     

    Threshold Current (Typ.)

    ----

    0.7A

    1.0A

    Operating Current (Typ.)

    ----

    5.0A

    5.5A

    Operating Voltage

    ----

    1.9V

    2.3V

    Package Style

    H-mount





    Return To Previours Product List




  • Inquiry Form
    Company Name Content
    Contact Person  *
    Country  *
    Email  *
    时间
    Tel
    地址:
    Input Code 看不清?点击更换 *